【技术学习】STM32 F407 霸天虎开发板
- 算道-IT技能
- 2023-11-26
- 582热度
- 0评论
前言
博主开始探索嵌入式以来,其实很早就开始玩 stm32 了。但是学了一段时间之后总是感觉还是很没有头绪,不知道在学什么。前前后后分别尝试了江协科技、正点原子、野火霸天虎三次 stm32 的课程学习。江协科技的 stm32f103c8t6 课程看了一段时间,感觉对一些外设的调用方法有一个基础的认知了,但是没有很明白到底在学什么;正点原子则是有点听不懂,半字也借给同学了就有一段时间没学,感觉自认为 stm32 学的有两把刷子了。后来听前辈说江协科技的 stm32 课程不如 51 单片机的质量好,其实课程讲的一般,我就想:是不是应该重新好好学一下 stm32 课程了。
这次选择的是野火的 F407 霸天虎课程,第一是听大家说,入门选野火或者正点最好。第二是野火的大师进阶篇的一些内容,涉及到一些原理等的学习讲解,我觉得对我会非常有帮助,因此正好就买了这款开发板从入门到中级到大师原理一起学习了。
本系列博文笔记主要基于野火相应课程,b站地址:野火F407开发板-霸天虎视频-【入门篇】哔哩哔哩bilibili ,仅供学习参考不做任何商业用途使用,侵删!
调试器介绍
我选择的是高速版,支持 SW 和 JTAG 两种连接方式。SW 模式则只需要连接 VREF(3V3), TMS(数据), TCK, RESET, GND 五个引脚。
程序烧录配置
芯片型号:STM32F407ZGTX。
DAP 仿真烧录自然非常简单。
串口一键下载 ISP 下载速度慢,不能调试,但是成本很低。可以使用 FlyMcu 等软件。
2023.11.2 补充。
警告,建议如果 flymcu 不能烧录,就不要尝试这种玩法了,看看课学学得了。因为我自己乱捣鼓一通后把开发板锁了。
下面的内容我不太清楚具体是哪一步出现了锁死 flash 的问题,总之不要尝试!学习一下理论得啦。
如果和我一样锁死了,请见野火大师篇程序,里面有一个解除写保护的代码,运行一下。
ISP 下载方式:允许我们不拆下芯片来下载。对于上个世纪嵌入式学习来说这是一个很大的突破,因为当时是要把芯片拆下来烧录编程的。
ISP 厂商出产的时候就选定了一种串行外设对芯片内部 FLASH 进行编程,我们不能修改。常用串口下载方式,成本低,但是不能调试仿真。
普通 ISP 需要手动配置 boot loader,一键 ISP 不用,硬件电路和上位机配合达到一键下载的效果(手动配置:00是用户闪存启动,10是系统 SRAM/ISP 启动,普通 ISP 要手动改跳线帽)。
一键下载电路的具体原理流程如下:
- RTS 低电平,Q1 是一个 PNP 三极管,导通,BOOT0 拉高。
- DTS 高电平,Q2 NPN 导通,U18 是一个由 EN 控制开关的模拟开关,2 脚被导通为低电平,连接1脚拉低 NRST 复位。程序下载执行。
- U18 模拟开关的作用是稳定电路。开发板复位的时候 DTR RTS 是不稳定的状态,如果没有这个模拟开关,DTR RTS 可能进入 ISP 状态,复位,进入 ISP 状态,复位,进入……一直运行不起来了。模拟开关右侧电容使得 VCC 需要花一点时间充电给 EN,而不是立刻激活 EN(EN 1.8V 左右)。这时候 DTR RTS 已经稳定了,可以导通 U18 12 引脚来给 NRST 复位了。

不过 FlyMcu 实际配置方式是反过来的,因为他的协议是 232(+3~+15 是 0,-3~-15 是 1),和 TTL(3.3v 是1,0v 是0)正相反。
但是实际操作的时候可能遇到一种状况:部分开发板无法使用 FlyMcu 写入。我就碰到了。解决办法是使用 stm32 cube programmer 烧录程序。
配置如下:开发板上 boot 连接 3v3,RTS DTR=0,选中 read unprotect,建立连接后再烧录程序。
但是不知道是波特率或者校验位的问题,我每次能成功烧录进去,然后过一会就显示断开找不到设备了。可能是因为波特率没有76800的选项。
STM32 介绍
正点原子网课:单片机和电脑的类比:内存是 SRAM,硬盘是 FLASH,主板是外设。
st:意法半导体公司,SoC 厂商。
m:微控制器。微控制器和微处理器相比性能比较拉一点,主频低,微处理器能跑一些大 os(linux)。
32:32位微控制器。
正点原子网课:8051,X86 属于 CISC;ARM, MIPS, RISC-V 属于 RISC.
冯诺依曼和哈佛结构的主要区别:程序存储器和数据存储器是否分开存储。不分开是冯诺依曼,分开是哈佛。哈佛执行效率更高,冯诺伊曼资源占据更少。
CORTEX-M 系列介绍 ARM 公司(做精简指令集计算机的)只设计内核架构和授权知识产权,不参与设计芯片,给其他合作公司授权设计芯片。半导体厂商再根据架构完善周边电路并制作芯片。现在95%手机、平板都是 ARM 架构的, ARM 公司是真的牛。
其优点在于低功耗低成本高性能,且支持16/32位双指令集。
ARM 有9个版本,从 v6 开始出现 cortex 的命名。
随着需求不断发展,stm32 在一众 8/16位 MCU 中脱颖而出。
stm32 自带许多通信接口,如 spi i2c uart 等;扫地机,无人机,手环等都可以是 stm32 的作品。
如何选型?以下是几大类 stm32 的特点。

本课程学习使用的开发板命名方式:

选型:满足项目需求的前提下,尽可能选便宜的,比如主频低,功耗低,引脚少,flash 少。
引脚分配:

看手册的重点:

外设资源,芯片功能,引脚,引脚大致分类,内存,封装……
哎想起前两天面试被问,如果选型 MCU 我应该看哪些因素。我只想到了外设和内存hhh。属于是只会写代码的笨比了。这也是我开始重新看野火课程的原因之一。
寄存器
虽然正式编程没有必要用寄存器编程,通常都是库函数或者 hal 库。但是还是有必要学一下原理的。
寄存器映射
芯片视图如下。
丝印:芯片上印的信息。型号,内核,生产批次等。
引脚:左上角是有小圆点的,从左上-左下-右下-右上逆时针看。或者如果没有小圆点,把丝印方向摆正,从左上角开始看。

芯片内部组成:

寄存器映射:32位,2^32^=4GB,因此所有程序都需要通过内存 4GB 去映射访问。

block7:M4 芯片内外设,比如一些通信总线这些都算外设。
block1:内存。
block0:代码。不过实际上由于设计工艺的问题,block0 block1 都只用了很少的一部分来存代码或者作为内存。
外设寄存器放在 block2 中。根据不同块速度不一样,又具体分为不同速度的外设(AHB APB)。
总线速度:AHB>APB2>APB1. APB1 是较低速的外设,包括 I2C UART SPI 看门狗等。
我们想要操作特定的外设,其实就是控制他的寄存器。控制寄存器就要找到寄存器相应的地址往里面写入数据,寄存器地址就是内存中的地址映射。
比如 GPIOF 我们想让其端口全部输出高电平。我们查找 stm32f407 手册,发现 GPIOF 的地址是 0x40021400,GPIOF 的 ODR(output data register)相对起始地址的偏移地址是14,则我们需要给 0x40021414 的地址写入数据 0xFFFF.

51 单片机库函数中封装的 reg51.h 中,利用 sfr 定义寄存器地址;而 stm32 库函数中使用宏定义,这些就是寄存器映射操作。对芯片里一个特殊功能的内存单元起别名的过程就是寄存器映射。 给这个地址再分配一个地址交重映射,stm32 中不咋常用。
C语言对寄存器的封装
这样逐个地址,哪怕已经进行了寄存器映射,还是很复杂。
c 语言库函数实际进行的封装操作是使用结构体批量定义。
/* GPIO 外设基地址 */
#define GPIOA_BASE (AHB1PERIPH_BASE + 0x0000)
#define GPIOB_BASE (AHB1PERIPH_BASE + 0x0400)
#define GPIOC_BASE (AHB1PERIPH_BASE + 0x0800)
#define GPIOD_BASE (AHB1PERIPH_BASE + 0x0C00)
#define GPIOE_BASE (AHB1PERIPH_BASE + 0x1000)
#define GPIOF_BASE (AHB1PERIPH_BASE + 0x1400)
#define GPIOG_BASE (AHB1PERIPH_BASE + 0x1800)
#define GPIOH_BASE (AHB1PERIPH_BASE + 0x1C00)
/* GPIO 寄存器列表 */
typedef struct {
uint32_t MODER; /*GPIO 模式寄存器 地址偏移: 0x00 */
uint32_t OTYPER; /*GPIO 输出类型寄存器 地址偏移: 0x04 */
uint32_t OSPEEDR; /*GPIO 输出速度寄存器 地址偏移: 0x08 */
uint32_t PUPDR; /*GPIO 上拉/下拉寄存器 地址偏移: 0x0C */
uint32_t IDR; /*GPIO 输入数据寄存器 地址偏移: 0x10 */
uint32_t ODR; /*GPIO 输出数据寄存器 地址偏移: 0x14 */
uint16_t BSRRL; /*GPIO 置位/复位寄存器低 16 位部分 地址偏移: 0x18 */
uint16_t BSRRH; /*GPIO 置位/复位寄存器高 16 位部分 地址偏移: 0x1A */
uint32_t LCKR; /*GPIO 配置锁定寄存器 地址偏移: 0x1C */
uint32_t AFR[2]; /*GPIO 复用功能配置寄存器 地址偏移: 0x20-0x24 */
} GPIO_TypeDef;
/* 使用 GPIO_TypeDef 把地址强制转换成指针 */
#define GPIOA ((GPIO_TypeDef *) GPIOA_BASE)
#define GPIOB ((GPIO_TypeDef *) GPIOB_BASE)
#define GPIOC ((GPIO_TypeDef *) GPIOC_BASE)
#define GPIOD ((GPIO_TypeDef *) GPIOD_BASE)
#define GPIOE ((GPIO_TypeDef *) GPIOE_BASE)
#define GPIOF ((GPIO_TypeDef *) GPIOF_BASE)
#define GPIOG ((GPIO_TypeDef *) GPIOG_BASE)
#define GPIOH ((GPIO_TypeDef *) GPIOH_BASE)
所有外设都是如此,首先定义总线 APB AHB 地址,然后每个外设在其基础上进行偏移,每个外设的不同部分再在该外设基址上进行偏移。
新建工程
寄存器方式
要命啊,一看名字我就不想试。寄存器新建不得麻烦死。
哎算了为了学习原理,干了。
我们尝试自己写一个寄存器的库函数来引用。
首先我们需要引用 st 官方启动文件 stmf4xx.s,具体用途后面章节再展开讲解。然后我们自己新建一个 stm32f4xx.h 文件来映射寄存器。不过只是把这个文件包含进项目,编译会报错:
.\Objects\led_reg.axf: Error: L6218E: Undefined symbol SystemInit (referred from startup_stm32f40xx.o).
进入启动文件后,可以看到这么一个函数:
; Reset handler
Reset_Handler PROC
EXPORT Reset_Handler [WEAK]
IMPORT SystemInit
IMPORT __main
LDR R0, =SystemInit
BLX R0
LDR R0, =__main
BX R0
ENDP
import 的作用相当于 extern,所以没有找到这个函数的定义,需要我们自己去定义。这就是为什么简单引入了启动文件会报错。
而 __main 是当我们定义了 main() 函数后,编译器会自动链接一些c语言库定义好的函数,用于初始化堆栈并且调用我们的 main().
注意,如果想要生成 __main 函数,必须勾选下面这一项。

野火你讲的是真好啊。我之前草草学了学 stm32 单片机用法,比赛的时候自己想移植代码,改了启动文件也不好使,就是报错。原来是这个原因。
那么我们只需要定义这么一个函数,哪怕内容是空都无所谓。
最终我们定义的初步项目框架如下:

stm32f4xx.h:内容为空,有这么个东西就行。
main.c:
#include "stm32f4xx.h"
int main(){
while(1){
}
}
void SystemInit(){
}
好了,这个程序可以烧录到板子上的。烧录成功之后没有任何反应(因为本来程序也没做什么哈哈),但是这就是一个大进步了。
点灯——51单片机版
51单片机版就是引用 reg51.h 头文件,在其中声明了各个引脚的地址。我们只需要直接给引脚赋值即可。
调用代码:
#include "reg51.h"
#ifdef 0
void main(){
PA0=0xFE;
while(1){}
}
#endif
接下来我们需要定义 LED 灯的寄存器位置。阅读原理图如下:

大致可以看出,板子上的这个 RGB LED 通过三个引脚来控制 RGB 亮度。输出低电平则导通点亮。
具体输出方式是通过 ODR 进行输出。查找 stm32f4xx 中文参考手册可见:


那么我们就要给 0x4002 1400 +14 的地址赋值,让 1<<6 1<<7 1<<8 的位分别赋值为低电平.
int main(){
*(unsigned int *)(0x40021400+14)&=~(1<<6);
while(1){
}
}
然而这样也不亮。亮就怪了,stm32 寄存器是需要先做初始化配置的。
点灯——stm32 版
首先我们要设置 GPIO 模式。

想点灯 输出高低电平,是 01 通用输出模式。
*(unsigned int *)(0x40021400+0)&=~(3<<(6*2));
*(unsigned int *)(0x40021400+0)|=(1<<(6*2));
意思是先把 PF6 模式位置为00,然后赋值为01通用输出。
配置完模式之后,还需要配置时钟,stm32 每个外设都需要配置时钟。
前面提到过 GPIO 是在 AHB1.


全部代码如下:
#include "stm32f4xx.h"
int main(){
//RCC
*(unsigned int *)(0x40023800+0x30)|=(1<<5);
//Mode
*(unsigned int *)(0x40021400+0)&=~(3<<(6*2));
*(unsigned int *)(0x40021400+0)|=(1<<(6*2));
*(unsigned int *)(0x40021400+0x14)&=~(1<<6);
while(1){
}
}
void SystemInit(){
}
接下来,我们把这几个地址值提取出来,宏定义映射寄存器。
//stm32f4xx.h
/* 用来存放寄存器映射相关的代码 */
#define RCC_AHB1_ENR *(unsigned int *)(0x40023800+0x30)
#define GPIOF_MODER *(unsigned int *)(0x40021400+0)
#define GPIOF_ODR *(unsigned int *)(0x40021400+0x14)
//main.c
#include "stm32f4xx.h"
int main(){
//RCC
RCC_AHB1_ENR|=(1<<5);
//Mode
GPIOF_MODER&=~(3<<(6*2));
GPIOF_MODER|=(1<<(6*2));
GPIOF_ODR&=~(1<<6);
while(1){
}
}
void SystemInit(){
}
点灯——流水灯闪烁
利用软件延时实现 RGB 流水灯闪烁。很简单,前面已经看了3个 LED 通道 PF678 了。
#include "stm32f4xx.h"
void delay_ms(int time);
int main(){
//RCC
RCC_AHB1_ENR|=(1<<5);
//Mode
GPIOF_MODER&=~(3<<(6*2));
GPIOF_MODER|=(1<<(6*2));
GPIOF_MODER&=~(3<<(7*2));
GPIOF_MODER|=(1<<(7*2));
GPIOF_MODER&=~(3<<(8*2));
GPIOF_MODER|=(1<<(8*2));
while(1){
GPIOF_ODR|=(7<<6);
GPIOF_ODR&=~(1<<6);
delay_ms(1000);
GPIOF_ODR|=(7<<6);
GPIOF_ODR&=~(1<<7);
delay_ms(1000);
GPIOF_ODR|=(7<<6);
GPIOF_ODR&=~(1<<8);
delay_ms(1000);
}
}
void SystemInit(){
}
//毫秒级的延时
void delay_ms(int time)
{
int i=0;
while(time--)
{
i=4000;
while(i--) ;
}
}
点灯——GPIO 具体功能框图对应
GPIO:通用输入输出引脚。我们可以通过编程来输出或者读取数据。大部分 GPIO 是已经连接、定义好了一些功能(比如上面尝试过的 PF6 LED),有的引脚有多个功能支持重新映射。
STM32 GPIO 除了 adc 是 3.3v,其他 GPIO 都是 5v 容忍。
GPIO 框图(重点)如下:

先从输出开始看。最右侧的 IO 引脚是连接在芯片周围一圈的144个引脚之一。除了 IO 引脚,此图中其他所有部分都是封装在芯片内部我们看不到的。
往左有两个保护二极管。当电压大于 5V,电流会往上 VDD_FT 走。当电压为负电压,电流会由 VSS 往 IO 引脚走。
上下拉电阻:比武外接一个低电平工作的设备,但是我们不希望一上电外设就工作,可以设置上拉电阻,稳定一段时间。
GPIO 输出的数据来源:复位寄存器 BSRR,或者 ODR 设置(图中的3下路部分)。复位寄存器高16位复位(写1置0)低16位置位(写1置1),置位优先级更高。
配置 GPIO 模式(输入/输出,选择哪一路)通过前面用过的 MODER 配置。
输出模式(图中输出控制部分)配置端口输出类型寄存器 OTYPER,比如推挽输出,开漏输出。
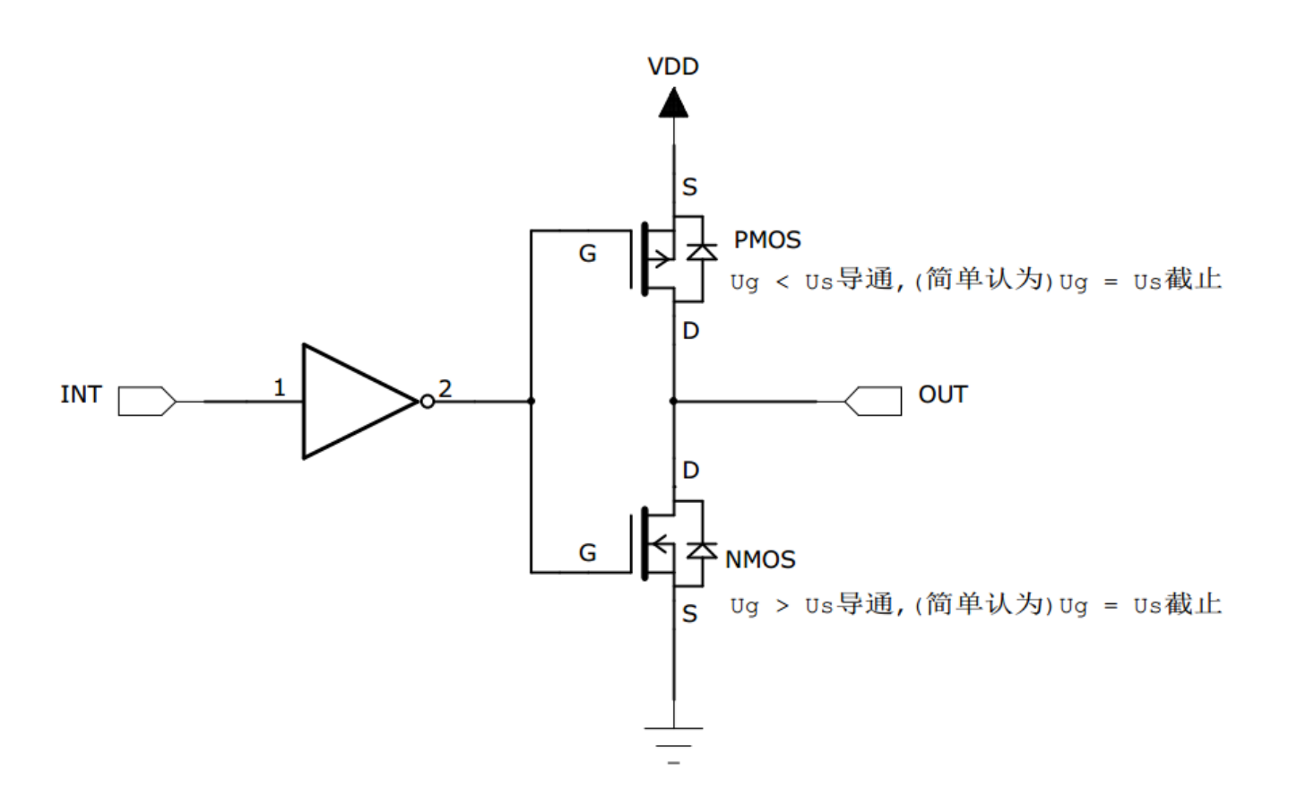
推挽输出:有直接驱动能力,输出0就是低电平,输出1就输出可以工作的高电平。原理是采用了一个放大的电路?

输入(INT)为高电平时,反向后 PMOS 导通,输出高电平。输入为低电平时,反向后 NMOS 导通,输出低电平。我们可以用一个小电流去驱动出来一个大电流。
开漏输出:自己本身没有输出高电平的手段。低电平可以接地,高电平没有 PMOS 管,是浮空状态。需要外接一个电阻。

stm32 输出 5V 电压的方法就是开漏输出外接电阻。通过接两个三极管的方式反向。

框图中的模拟部分输入输出则不用配置这些模式信息,直接由外设接到保护二极管再接到输出引脚。
框图中的输入部分经过保护电压后,还需要施密特触发器调整一下。比如原来电压的数值并非精确的0或 3.3V,施密特触发器将高于 1.8V 的全部视作1,低于的全部视作0后输入芯片。模拟部分则不需要经过施密特触发器。
因此配置 GPIO 输出的步骤如下:
- GPIO 功能,通用输出、复用功能、模拟输入等 MODER;
- 输出推挽 or 开漏 OTYPER;
- 输出速度 OSPEEDR;
- 上下拉电阻是否需要开启 PUPDR;
- 具体输出内容 BSRR or ODR.
输入部分后面输入实验介绍~
按整个流程重新串一遍代码,如下:(其实和前面差不多,就是重新按照流程串了一遍)
/* 用来存放寄存器映射相关的代码 */
#define RCC_BASE (unsigned int *) 0x40023800
#define GPIOF_BASE (unsigned int *) 0x40021400
#define RCC_AHB1ENR *(RCC_BASE+0x30)
#define GPIOF_MODER *(GPIOF_BASE+0x00)
#define GPIOF_OSPEEDR *(GPIOF_BASE+0x08)
#define GPIOF_PUPDR *(GPIOF_BASE+0x0C)
#define GPIOF_ODR *(GPIOF_BASE+0x14)
#define GPIOF_BSRR *(GPIOF_BASE+0x18)
//main.c
#include "stm32f4xx.h"
int main()
{
RCC_AHB1ENR |= (1<<5);
GPIOF_MODER &= ~(3<<(6*2));
GPIOF_MODER |= (1<<(6*2));
while (1)
{
}
}
void SystemInit()
{
}
烧录前记得勾选:use MicroLib.
构建库方式
点灯——自己尝试构建库函数版
寄存器方法了解到这里就好,野火课程主要是库函数写代码。首先我们自己尝试构建一下库函数。
还是基于上次实验代码修改即可。首先对 .h 文件做一些修改:
#ifndef __STM32F4XX_H__
#define __STM32F4XX_H__
#endif
这个是防止多次引用头文件重复定义。
然后,像之前一条条定义太麻烦了。其实我们注意到每个寄存器都是4字节,我们可以用固定大小的结构体定义。比如 GPIO ABCDEF 结构都一样,我们只需要统一定义结构体和各自的基址即可。
#include<stdint.h> // 包含了 uint32_t uint16_t
/* GPIO寄存器列表 */
typedef struct
{
uint32_t MODER; /*GPIO模式寄存器 地址偏移: 0x00 */
uint32_t OTYPER; /*GPIO输出类型寄存器 地址偏移: 0x04 */
uint32_t OSPEEDR; /*GPIO输出速度寄存器 地址偏移: 0x08 */
uint32_t PUPDR; /*GPIO上拉/下拉寄存器 地址偏移: 0x0C */
uint32_t IDR; /*GPIO输入数据寄存器 地址偏移: 0x10 */
uint32_t ODR; /*GPIO输出数据寄存器 地址偏移: 0x14 */
uint16_t BSRRL; /*GPIO置位/复位寄存器 低16位部分 地址偏移: 0x18 */
uint16_t BSRRH; /*GPIO置位/复位寄存器 高16位部分 地址偏移: 0x1A */
uint32_t LCKR; /*GPIO配置锁定寄存器 地址偏移: 0x1C */
uint32_t AFR[2]; /*GPIO复用功能配置寄存器 地址偏移: 0x20-0x24 */
} GPIO_TypeDef;
# define GPIOF ((GPIO_TypeDef *)GPIOF_BASE)
main.c 中可以把对应寄存器替换为 GPIOF->寄存器名了。
然后我们直接对寄存器做操作,还是有点直接了,最好是我们不需要关注寄存器有哪些,直接调用一个 GPIO 设置函数即可使用,封装性可移植性都会好很多。
//stm32f4xx_gpio.c
void GPIO_SetBits(GPIO_TypeDef * GPIOx, uint16_t GPIO_Pin){
GPIOx->BSRRL=GPIO_Pin;
}
void GPIO_ResetBits(GPIO_TypeDef * GPIOx, uint16_t GPIO_Pin){
GPIOx->BSRRH=GPIO_Pin;
}
//stm32f4xx_gpio.h
#include "stm32f4xx.h"
#ifndef __STM32F4XX_GPIO_H__
#define __STM32F4XX_GPIO_H__
void GPIO_SetBits(GPIO_TypeDef * GPIOx, uint16_t GPIO_Pin);
void GPIO_ResetBits(GPIO_TypeDef * GPIOx, uint16_t GPIO_Pin);
#endif
比如首先我们简单写了这样一个置位函数,使用方法为 GPIO_SetBits(GPIOF_Base,1<<6) .
以及我们可以在 stm32f4xx_gpio.h 里批量定义:
#define GPIO_Pin_6 (uint16_t)(1<<6)
#define GPIO_Pin_7 (uint16_t)(1<<7)
#define GPIO_Pin_8 (uint16_t)(1<<8)
这样 GPIO 使用用 Set Reset 函数已经非常规范了。那么初始化操作我们也可以封装成一个函数。
初始化需要设置 MODER PUPDR OSPEEDR OTYPER,我们可以定义一个结构体用于存储这些初始化变量,初始化的时候新建一个这样的结构体并赋值,传入初始化函数。
//stm32f4xx_gpio.h
//每个模块具体的值可以定义一个枚举类型。
typedef enum
{
GPIO_Mode_IN=0x00;
GPIO_Mode_OUT=0x01;
GPIO_Mode_AF=0x02;
GPIO_Mode_AN=0x03;
}GPIOMode_TypeDef;
typedef struct
{
uint16_t GPIO_Pin;
GPIOMode_TypeDef MODER;
GPIOPuPd_TypeDef PUPDR;
GPIOOType_TypeDef OTYPER;
GPIOOSpeed_TypeDef OSPEEDR;
}GPIO_InitTypeDef;
具体使用的时候首先我们初始化一个 GPIO_InitTypeDef 变量,并且给其中的每一个子元素都赋值。然后传入 GPIO_Init 函数中,里面就是一系列根据手册而来的位操作,这里我感觉前面原理懂差不多就不用非跟着敲了。
分析 stm32 固件库函数
前面基本上都是了解固件库编程,从51过渡到 stm32. 后面所有固件编程固件库的使用方法都和前面的 GPIO 类似。
固件是什么?其实就是程序,固化到 EEPROM 或 FLASH 中,操作最底层的设备。不是具体的应用,而是只操作最底层的设备。比如点灯算应用,给应用工程师提供库函数的工作是固件工程师的。
stm32 官方 stmf4 固件库下载地址:

$ ls
Mode LastWriteTime Length Name
---- ------------- ------ ----
d----- 2023/11/8 22:16 Libraries
d----- 2023/11/8 22:16 Project
d----- 2023/11/8 22:17 Utilities
d----- 2023/11/8 22:17 _htmresc
-ar--- 2023/11/8 22:15 88007 Package_license.html
-ar--- 2023/11/8 22:15 19611 Package_license.md
-ar--- 2023/11/8 22:15 152599 Release_Notes.html
-ar--- 2023/11/8 22:15 37185187 stm32f4xx_dsp_stdperiph_lib_um.chm
.chm:使用帮助文档。
.HTML .md:一些版本更新,包许可证相关信息。
Utilities:一些第三方其他软件。
Project:样例,模板。
Libraries:库,CMSIS 是一些 ARM 公司的标准,Driver 是固件。inc 是头文件,src 是c文件。
我们根据上节课写的项目来进行库函数文件功能分析。
| 文件名 | 所属类别 | 功能 |
|---|---|---|
| startup_stm32f40xx.s | 片上外设 | 汇编启动文件 |
| stm32f4xx.h | 片上外设 | 外设寄存器映射 |
| system_stm32f4xx.c / system_stm32f4xx.h | 片上外设 | 初始化系统时钟 |
| stm32f4xx_xxxx.c / stm32f4xx_xxxx.h | 内核 | 内核寄存器映射 |
| core_cm4.h | 内核 | 内核寄存器映射 |
| core_cmFunc.h / core_cmSimd.h | 内核 | 内核外设的一些操作函数 |
| misc.c / misc.h | 内核 | 中断相关函数(优先级分组,系统中断) |
| stm32f4xx_it.c / stm32f4xx_it.h | 内核 | 中断服务函数(所有中断入口) |
| main.c | main 函数 |
- startupxxxx.s:启动文件。
- stm32f4xx.h:外设寄存器映射。
- 跳到 system_Init 函数,这个函数当时我们为了执行只写了一个空函数,而 stm32 官方固件库模板里面是有的,在 system_stm32f4xx.c 里,初始化系统时钟。
- stm32f4xx.c:具体外设驱动,比如上节课写的 gpio。
- core_cm4.h:内核寄存器映射。
- misc:中断。
构建库函数
创建一个通用的模板,后面写程序直接使用这个模板。
$ ls
Mode LastWriteTime Length Name
---- ------------- ------ ----
d----- 2023/11/8 23:27 Libraries
d----- 2023/11/8 23:27 Listing
d----- 2023/11/8 23:27 Output
d----- 2023/11/8 23:27 Project
d----- 2023/11/8 23:27 User
-a---- 2020/2/27 13:45 401 keilkill.bat
前面都是新建的文件夹,keilkill.bat 是从 keil 编译程序中复制出来的一个脚本,可以删掉中间文件。
把固件库 Lib 里的 CMSIS 和 Driver 文件拷贝到 Libraries 文件夹中。CMSIS 中只保留 Device Include 文件夹。Device 中包含外设相关(比如 stm32f4xx.h system_stm32f4xx),Include 中只包含内核相关。
把 main.c stm32f4xx_it.c / stm32f4xx_it.h stm32f4xx_conf.h 拷贝到 User 文件夹中。
在 Project 文件夹里可以包含多给项目文件,不光只有 Keil 的。比如 IAR 的我们新建一个 IAR 文件夹,Keil 我们新建一个 RVMDK(uv5) 文件夹。RealView 是包含不止 MDK 的开发工具集合的称呼,MDK 是 MCU 开发工具集成包,uVersion 是 IDE,Keil 是公司名字。
uVision 里新建工程,新建在 RVMDK(uv5) 文件夹下。
新建组、添加文件如下:

STM32F4xx_StdPeriph_Driver 添加 STM32F4xx_StdPeriph_Driver/src 下的所有文件,屏蔽掉 dma2d fmc ltdc,后两个是 sd 和 lcd 屏幕组件。
头文件如下:

宏定义如下:
USE_STDPERIPH_DRIVER,STM32F40_41xxx
我现在好想明白为什么宏定义在这里了,这样后面换单片机型号的时候可以直接修改这个宏定义。
PS:我下载的是 1.8.1 版本 stm32f4xx.h 库函数,里面出现了一段重复定义导致编译产生了200多个 warning。我把下面那一段删掉了就好了。

Output 里设置 Output 文件夹,不然都在 Proj 里太乱。
记得勾选 MicroLib。
点灯——官方库函数版
在 User 文件夹中新建 LED 文件夹,里面新建 bsp_led.c,代表板级支持包 LED 代码,也就是只针对我们当前这一款开发板的点灯程序。
设置时钟:rcc 时钟,在 stm32f4xx_rcc.c 中:
/**
* @brief Enables or disables the AHB1 peripheral clock.
* @note After reset, the peripheral clock (used for registers read/write access)
* is disabled and the application software has to enable this clock before
* using it.
* @param RCC_AHBPeriph: specifies the AHB1 peripheral to gates its clock.
* This parameter can be any combination of the following values:
* @arg RCC_AHB1Periph_GPIOA: GPIOA clock
* @arg RCC_AHB1Periph_GPIOB: GPIOB clock
* @arg RCC_AHB1Periph_GPIOC: GPIOC clock
* @arg RCC_AHB1Periph_GPIOD: GPIOD clock
* @arg RCC_AHB1Periph_GPIOE: GPIOE clock
* @arg RCC_AHB1Periph_GPIOF: GPIOF clock
* @arg RCC_AHB1Periph_GPIOG: GPIOG clock
* @arg RCC_AHB1Periph_GPIOG: GPIOG clock
* @arg RCC_AHB1Periph_GPIOI: GPIOI clock
* @arg RCC_AHB1Periph_GPIOJ: GPIOJ clock (STM32F42xxx/43xxx devices)
* @arg RCC_AHB1Periph_GPIOK: GPIOK clock (STM32F42xxx/43xxx devices)
* @arg RCC_AHB1Periph_CRC: CRC clock
* @arg RCC_AHB1Periph_BKPSRAM: BKPSRAM interface clock
* @arg RCC_AHB1Periph_CCMDATARAMEN CCM data RAM interface clock
* @arg RCC_AHB1Periph_DMA1: DMA1 clock
* @arg RCC_AHB1Periph_DMA2: DMA2 clock
* @arg RCC_AHB1Periph_DMA2D: DMA2D clock (STM32F429xx/439xx devices)
* @arg RCC_AHB1Periph_ETH_MAC: Ethernet MAC clock
* @arg RCC_AHB1Periph_ETH_MAC_Tx: Ethernet Transmission clock
* @arg RCC_AHB1Periph_ETH_MAC_Rx: Ethernet Reception clock
* @arg RCC_AHB1Periph_ETH_MAC_PTP: Ethernet PTP clock
* @arg RCC_AHB1Periph_OTG_HS: USB OTG HS clock
* @arg RCC_AHB1Periph_OTG_HS_ULPI: USB OTG HS ULPI clock
* @param NewState: new state of the specified peripheral clock.
* This parameter can be: ENABLE or DISABLE.
* @retval None
*/
void RCC_AHB1PeriphClockCmd(uint32_t RCC_AHB1Periph, FunctionalState NewState)
其他部分基本也是参照库函数(主要是 stm32f4xx_gpio.h)最终呈现如下:
#include "bsp_led.h"
void LED_GPIO_Config(void){
//RCC set function in stm32f4xx_rcc.h
RCC_AHB1PeriphClockCmd(RCC_AHB1Periph_GPIOF,ENABLE);
{
//Init structure
GPIO_InitTypeDef GPIO_InitStructure;
GPIO_InitStructure.GPIO_Mode=GPIO_Mode_OUT;
GPIO_InitStructure.GPIO_OType=GPIO_OType_PP;
GPIO_InitStructure.GPIO_Pin=GPIO_Pin_6;
GPIO_InitStructure.GPIO_PuPd=GPIO_PuPd_UP;
GPIO_InitStructure.GPIO_Speed=GPIO_Speed_50MHz;
//init function
GPIO_Init(GPIOF,&GPIO_InitStructure);
}
}
置位可以使用 GPIO_SetBits 或 GPIO_ResetBits。
int main()
{
int i;
LED_GPIO_Config();
*(unsigned int *)(0x40021400+0x14)&=~(1<<6);
while (1)
{
GPIO_ResetBits(GPIOF,GPIO_Pin_6);
i=12000000;
while(i--);
GPIO_SetBits(GPIOF,GPIO_Pin_6);
i=12000000;
while(i--);
}
}
没有上下拉的时候推挽输出会直接被 ODR 值所影响,哪怕没有赋值其中本来的值也会影响。所以推挽输出无上下拉,不置位 LED 也会被点亮,因为 ODR 默认值0.
输入——按键点灯
开发板按键电路如下:

按键未按下接地,按下后为高电平。电容起到消抖作用,软件处理就不需要手动延时消抖了。
编程没啥难度,就是改了一下输入模式。使用 ReadInputDataBits 读取。
//bsp_button.c
#include "bsp_button.h"
void Button_GPIO_Config(void){
RCC_AHB1PeriphClockCmd(RCC_AHB1Periph_GPIOA,ENABLE);
{
GPIO_InitTypeDef GPIOInitStruct;
GPIOInitStruct.GPIO_Mode=GPIO_Mode_IN;
GPIOInitStruct.GPIO_Pin=GPIO_Pin_0;
GPIOInitStruct.GPIO_OType=GPIO_OType_PP;
GPIOInitStruct.GPIO_Speed=GPIO_Speed_50MHz;
GPIOInitStruct.GPIO_PuPd=GPIO_PuPd_NOPULL;
GPIO_Init(GPIOA,&GPIOInitStruct);
}
}
//main.c
#include "stm32f4xx.h"
#include "bsp_led.h"
#include "bsp_button.h"
int main()
{
//RCC
LED_GPIO_Config();
Button_GPIO_Config();
while (1)
{
if(GPIO_ReadInputDataBit(GPIOA,GPIO_Pin_0))GPIO_SetBits(GPIOF, GPIO_Pin_6);
else GPIO_ResetBits(GPIOF, GPIO_Pin_6);
}
}
实现按键按下后翻转:
int main()
{
//RCC
LED_GPIO_Config();
Button_GPIO_Config();
while (1)
{
if(GPIO_ReadInputDataBit(GPIOA,GPIO_Pin_0)==Bit_SET){
while(GPIO_ReadInputDataBit(GPIOA,GPIO_Pin_0)==Bit_SET);
GPIO_ToggleBits(GPIOF, GPIO_Pin_6);
}
}
}
要等到按键松开的时候再翻转,轮询直到松开。
位带操作
之前51单片机常见位定义。比如 PA 引脚有8个 IO 口,我们可以定义 sbit LED1=PA^0 这样单独操作某一位。
stm32 里没有直接的位定义方式。一种解决办法是我们利用与或操作不影响其他位的同时操作特定位;另一种就是位带操作。
stm32 里有一部分别名区域,用于映射外设、SRAM 中特定的位带区,我们操作这一部分别名区域时就可以实现对外设、SRAM 位带区与的位操作。
片上外设位带区:0X4000 0000~0X400F 0000,别名区:0X4200 0000~0X43FF FFFF,包含 APB12,AHB1 外设。
SRAM 位带区:0X2000 0000~0X200F 0000,别名区:0X2200 0000~0X23FF FFFF

外设地址 A 别名地址为:AliasAddr= =0x42000000+ (A-0x40000000)84 +n*4 (n是位序号)
SRAM 地址 A 别名地址为:AliasAddr= =0x22000000+ (A-0x20000000)84 +n*4
扩大了32倍,可以对32位寄存器中的每一位进行操作。
统一公式:\#define BITBAND(addr, bitnum) ((addr & 0xF0000000)+0x02000000+((addr & 0x000FFFFF)<<5)+(bitnum<<2))
使用:比如我们操作一个 GPIO 的位操作。
#define BITBAND(addr, bitnum) ((addr & 0xF0000000)+0x02000000+((addr & 0x000FFFFF)<<5)+(bitnum<<2))
// 把一个地址转换成一个指针
#define MEM_ADDR(addr) *((volatile unsigned long *)(addr))
// 把位带别名区地址转换成指针
#define BIT_ADDR(addr, bitnum) MEM_ADDR(BITBAND(addr, bitnum))
// GPIO ODR 和 IDR 寄存器地址映射
#define GPIOF_ODR_Addr (GPIOF_BASE+20)
#define GPIOF_IDR_Addr (GPIOF_BASE+16)
// 单独操作 GPIO 的某一个 IO 口,n(0,1,2...15),
// n 表示具体是哪一个 IO 口
#define PFout(n) BIT_ADDR(GPIOF_ODR_Addr,n) //输出
#define PFin(n) BIT_ADDR(GPIOF_IDR_Addr,n) //输入
//使用示例
PFout(6)= 0;
这个概念学学就好,好像实际应用没啥意义。我们微处理器考试也考过hh。


